Beschreibung
Grundfos ALPHA1 25-80 130
Hocheffizienz-Nassläuferpumpe, elektronisch geregelt, Energieeffizienzindex (EEI) ≤ 0.23 ErP ready
Ausführungen/Funktionen/Eigenschaften:
- Hocheffizienz-EC-Permanentmagnetmotortechnologie
- Energieeffizienzindex (EEI) ≤ 0.20
- Regelungsarten: Konstantdruck / Festdrehzahl / Proportionaldruck
- Integrierter Motorvollschutz
- Wärmedämmschalen gemäß EnEV im Lieferumfang enthalten (ausser bei ALPHA1 20-45 N)
- Integriertes Display mit Anzeige der aktuellen Leistungsaufnahme in Watt
- Einfache elektrische Installation durch bewährten ALPHA-Stecker
- Haftungsübernahmevereinbarung: 5 Jahre Garantie in Deutschland
| Spezifikationen | ALPHA1 25-80 130 |
|---|---|
| Bemessungsspannung | 230 V |
| Max. Betriebsdruck | 10 bar |
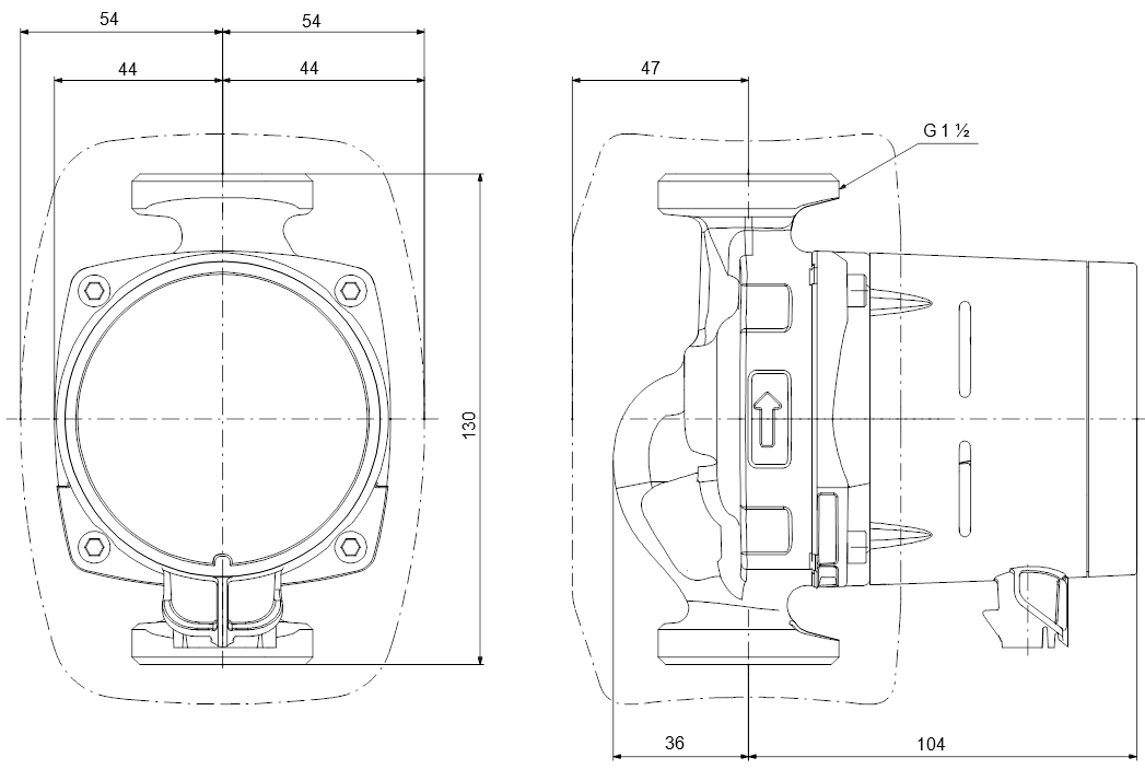
| Nennweite | 1½ Zoll (G1½) |
| Einbaulänge | 130 mm |
| Pumpengehäuse | Grauguss |
| Energieeffizienzindex (EEI) | 0.20 |
Erfüllt ERP-Richtlinien
ERP-konform
Mit einem Energieeffizienzindex (EEI) weit unter dem EuP/ErP-Referenzwert für die besten und effizientesten
Umwälzpumpen.
Höchste Energieeffizienz
Für ein grüneres Zuhause. Ein energieeffizientes Design, das Ihnen hilft, Energiekosten zu sparen
und die Umwelt zu schonen. Das ist ein Gewinn für Ihren Geldbeutel und den Planeten, denn es macht Ihr Zuhause kostengünstiger und
umweltfreundlicher.
Robuste Startfunktion
Anlauf mit hohem Drehmoment
Nach einer gewissen Zeit des Stillstands können die Lager aufgrund von Partikeln oder
Kalkablagerungen festsitzen. Die robuste Startfunktion versucht kontinuierlich, die Pumpe mit dem höchstmöglichen Drehmoment neu zu
starten.
Zuverlässigkeit
Dank der robusten Startfunktion müssen sich Hausbesitzer keine Sorgen machen, ob die Pumpe nach längeren
Stillstandszeiten wieder anläuft.
Selbstentlüftung
Automatische Entlüftung
Die Pumpe ist selbstentlüftend. Die Entlüftung erfolgt über die Anlage.
Geräuscharme und effiziente Leistung
Bei herkömmlichen Pumpen führt die Ansammlung von eingeschlossener Luft oft zu
Geräuschstörungen und verminderter Leistung. Die Selbstentlüftung verringert die Geräuschbelastung und erhöht die Betriebseffizienz.
Keramikwelle und Keramiklager
Verschleißfeste Ausführung
Keramikwellen und -lager weisen einen sehr geringen Verschleiß auf. Das verlängert ihre
Lebensdauer und senkt die Gefahr von Geräuschen in der Anlage infolge eines verschleißbedingten größeren Lagerspiels.
Merkmale
| Baulänge | 130 mm |
| Gewinde | G 1½ |
| Nullförderhöhe | 8 Meter |
Hersteller
Hersteller
Grundfos
GmbH
Schlüterstraße 33
40699 Erkrath
Deutschland
Telefon: +49 211 929 69 0
E-Mail: infoservice@grundfos.com
https://www.grundfos.com/de
