Beschreibung
Hocheffizienz-Umwälzpumpe ALPHA2 20-40 N 150
Hocheffizienz-Nassläuferpumpe mit Permanentmagnetmotor (ECM-Technologie) und integrierter, elektronischer Leistungsanpassung durch stufenlose Drehzahländerung.
Mit AutoAdapt- und automatischer Nachtabsenkfunktion und wahlweiser Anzeige der Leistungsaufnahme bzw. des Förderstroms. Elektrischer Anschluß durch millionenfach bewährten ALPHA-Stecker. Synchronmotor mit ECM-Technologie und höchsten Wirkungsgraden, hohem Anlaufmoment mit Blockierschutz und integriertem Motorvollschutz. Trockenlaufschutz- und Anlauffunktion. Wärmedämmschale im Lieferumfang enthalten.
Ausführungen/Funktionen/Eigenschaften:
- Hocheffizienz-EC-Permanentmagnetmotortechnologie
- Haftungsübernahmevereinbarung: 5 Jahre Garantie in Deutschland
- Einzelpumpe mit Edelstahlgehäuse
- Kataphoresebeschichtung für höchste Korrosionsbeständigkeit und Langlebigkeit
- Förderfähig gemäß Förderung "Heizungsoptimierung"
- AutoAdapt-Funktion findet die optimale Einstellung durch selbstadaptierende Kennlinie
- Weitere Regelungs-/Einstellungsarten: Proportionaldruckregelung, Konstantdruckregelung, 3 feste Drehzahlen
- Erfüllt die Anforderungen der EnEV Paragraph 14 Absatz 3
- Medientemperaturen +2C bis +110°C
- AutomatischeNachtabsenkung zur weiteren Energieeinsparung
- Integriertes LED-Display mit wahlweiser Anzeige der Leistungsaufnahme oderdes aktuellen Volumenstroms
- Wärmedämmschalen gemäß EnEV
- Einfache elektrische Installation durch bewährten ALPHA-Stecker
- Kompakte Bauform für beengte Platzverhältnisse
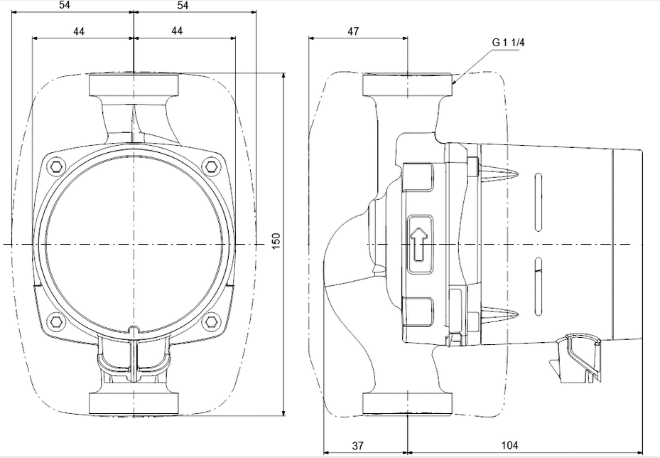
| Spezifikationen | ALPHA2 20-40 N 150 |
|---|---|
| Netzspannung | 1~230V 50/60Hz |
| Max. Betriebsdruck | 10 bar |
| Nennweite | 1¼ Zoll (G 1¼) |
| Einbaulänge | 150 mm |
| Pumpengehäuse | Edelstahl |
| Energieeffizienzindex (EEI) | 0,15 |
| Nennförderstrom | 1,50 m³/h |
| Nennförderhöhe | 2,01 m |
| Medientemperatur | +2 bis +110 °C (60 °C im Betrieb) |
| Schutzart | X4D |
| Leistungsaufnahme | 3 - 18 Watt |
Übertrifft ERP-Richtlinien
Weltklasse-Energieeffizienz
Mit einem Energieeffizienzindex, der weit unter dem ERP-Benchmark liegt, was erhebliche Energieeinsparungen ermöglicht und die Umweltbelastung reduziert.
Trockenlaufschutz
Sorgenfreier Betrieb
Der aktive Trockenlaufschutz schützt die Pumpe beim Anfahren und im Normalbetrieb vor Trockenlauf.
Keramikwelle und Keramiklager
Verschleißfeste AusführungKeramikwellen und -lager weisen einen sehr geringen Verschleiß auf. Das verlängert ihre Lebensdauer und senkt die Gefahr von Geräuschen in der Anlage infolge eines verschleißbedingten größeren Lagerspiels.
Robuste Startfunktion
Anlauf mit hohem DrehmomentNach einer gewissen Zeit des Stillstands können die Lager aufgrund von Partikeln oder Kalkablagerungen festsitzen. Die robuste Startfunktion versucht kontinuierlich, die Pumpe mit dem höchstmöglichen Drehmoment neu zu starten.
Zuverlässigkeit
Dank der robusten Startfunktion müssen sich Hausbesitzer keine Sorgen machen, ob die Pumpe nach längeren Stillstandszeiten wieder anläuft.
Selbstentlüftung
Automatische EntlüftungDie Pumpe ist selbstentlüftend. Die Entlüftung erfolgt über die Anlage.
Geräuscharme und effiziente Leistung
Bei herkömmlichen Pumpen führt die Ansammlung von eingeschlossener Luft oft zu Geräuschstörungen und verminderter Leistung. Die Selbstentlüftung verringert die Geräuschbelastung und erhöht die Betriebseffizienz.
AUTOADAPT
Proportionaldruck AUTOADAPTDie Proportionaldruckregelung passt kontinuierlich im Laufe des Jahres in Abhängigkeit vom aktuellen Wärmebedarf die Pumpenleistung an und senkt gleichzeitig den Differenzdruck in der Anlage. Diese Einstellung bietet optimalen Komport bei minimalen Energieverbrauch und führt zu einer schnellen und einfachen Inbetriebnahme.
Höchster Komfort und Energieeinsparungen
AUTOADAPT passt sich automatisch an Ihre Gewohnheiten und an externe Temperaturschwankungen an. Es garantiert eine optimale Temperierung Ihrer Wohnung bei geringstmöglichem Energieverbrauch und ist damit der effizienteste Betriebsmodus.
Merkmale
| Produkttyp | Zirkulationspumpe |
| EEI | 0,15 |
| Nennweite | G 1 1/4 |
| Baulänge | 150 mm |
| Nullförderhöhe | 4 Meter |
| Pumpengehäuse | Niro |
Hersteller
Hersteller
Grundfos
GmbH
Schlüterstraße 33
40699 Erkrath
Deutschland
Telefon: +49 211 929 69 0
E-Mail: infoservice@grundfos.com
https://www.grundfos.com/de
Tags
Zubehöre
Grundfos Kit Alphastecker
| Art.-Nr. | 98284561 |
Alphastecker abgewinkelt mit 4m Kabel
| Art.-Nr. | 96884669 |
