Beschreibung
Hocheffizienz-Umwälzpumpe ALPHA3 25-40 130
Hocheffizienz-Nassläufer-Umwälzpumpe ALPHA3 mit Permanentmagnetmotor (ECM-Technologie) und integrierter, elektronischer Leistungsanpassung durch stufenlose Drehzahländerung. Geeignet und vorbereitet für hydraulischen Abgleich.
- Mit integrierter Konnektivität (via Smartphone, Bluetooth, GlowPan). Geführte Inbetriebnahme und Voreinstellungen, sowie weitere Funktionen und Anzeigen mittels Smart-Phone und der kostenfreien App GO-Remote.
- Mit AutoAdapt- und automatischer Nachtabsenkfunktion. LED-Display zur wahlweisen Anzeige der Leistungsaufnahme bzw. des Förderstroms, Pumpeneinstellung und Warnungshinweise.
- Elektrischer Anschluss durch bewährten ALPHA-Stecker.
- Synchronmotor mit ECM-Technologie und höchsten Wirkungsgraden, hohem Anlaufmoment mit Blockierschutz und automatischer Anlauffunktion
- Integriertem Motorvollschutz und Trockenlaufschutzfunktion. Sommermodus-Funktion und integrierte Schaltuhr wahlweise aktivierbar.
- Wärmedämmschalen, Anschlussstecker und 2 Flachdichtungen für die Verschraubung im Lieferumfang enthalten.
Ausführungen/Funktionen/Eigenschaften:
- Engergieeffizienzindex EEI (Best in Class, da EEI ≤ 0.20)
ALPHA3 xx-40 EEI ≤ 0.15 ALPHA3 xx-60 EEI ≤ 0.17 ALPHA3 xx-80 EEI ≤ 0.18 - Einzelpumpe mit Graugussgehäuse.
- Kataphoresebeschichtung des Statorgehäuses und des Graugussgehäuses für höchste Korrosionsbeständigkeit und Langlebigkeit.
- AutoAdapt-Funktion findet die optimale Einstellung durch selbstadaptierende Kennlinie.
- Regelungs-/Einstellungsarten: Proportionaldruckregelung, Konstantdruckregelung, feste Drehzahlen (einstellbar), AutoAdapt. Für Radiatorheizung, Fussbodenheizung, und Radiator- mit Fussbodenheizung.
- Automatische Nachtabsenkung wahlweise aktivierbar zur weiteren Energieeinsparung.
- Erfüllt die Anforderungen der EnEV Paragraph 14 Absatz 3 (Deutschland), und BAFA-Förderung (Deutschland).
- Medientemperaturen +2°C bis +110°C.
- Integriertes LED-Display zur Anzeige der aktuellen Leistungsaufnahme in Watt bzw. des Förderstroms in m³/h, der Pumpeneinstellung und Alarm- und Warnungshinweise.
- Wärmedämmschalen gem. EnEV serienmäßig
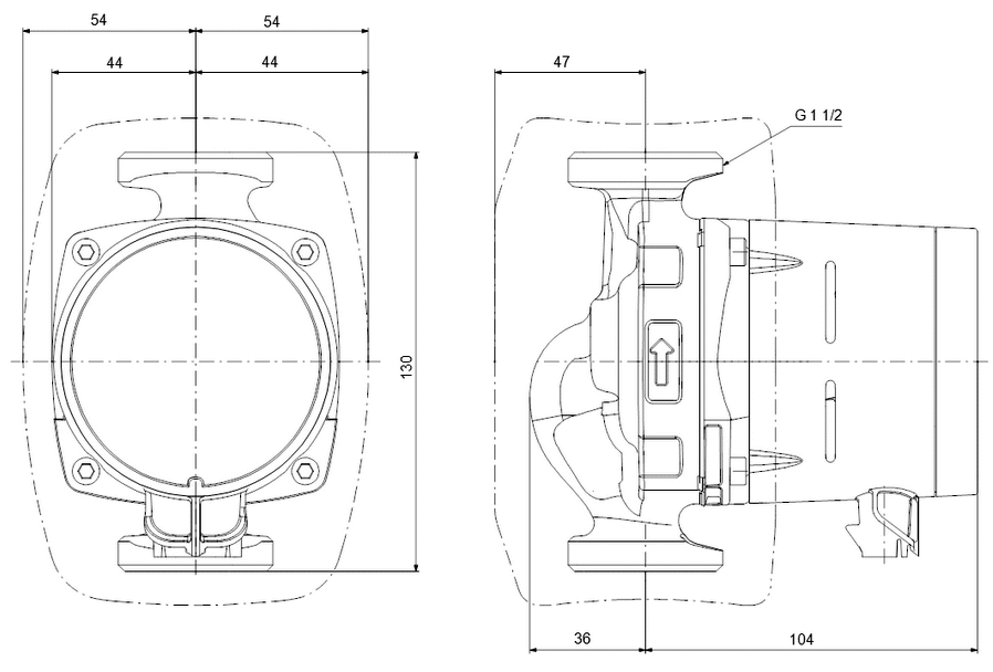
- Verfügbar in den gängigen Einbaumaßen: 130 mm, 180 mm, G 1", G 1.1/2", G 2".
- Einfache elektrische Installation durch ALPHA-Stecker.
- Kompakte Bauform, auch für beengte Platzverhältnisse.
- Voreinstellung der Pumpe mittels Smartphone und der kostenfreien App GO-Remote. In der Pumpe bereits integriertes Modul für die optionale Durchführung des hydraulischen Abgleichs mittels kostenfreier App GO-Balance.
| Spezifikationen | ALPHA3 25-40 130 |
|---|---|
| Netzspannung | 1~230V 50/60Hz |
| Max. Betriebsdruck | 10 bar |
| Nennweite | 1½ Zoll (G 1½) |
| Einbaulänge | 130 mm |
| Pumpengehäuse | Grauguss |
| Energieeffizienzindex (EEI) | 0,15 |
| Nennförderstrom | 1,50 m³/h |
| Nennförderhöhe | 2,01 m |
| Medientemperatur | +2 bis +110 °C (60 °C im Betrieb) |
| Schutzart | X4D |
| Leistungsaufnahme | 3 - 18 Watt |
Übertrifft ERP-Richtlinien
Weltklasse-Energieeffizienz
Mit einem Energieeffizienzindex, der weit unter dem ERP-Benchmark liegt, was erhebliche Energieeinsparungen ermöglicht und die Umweltbelastung reduziert.
Trockenlaufschutz
Sorgenfreier Betrieb
Der aktive Trockenlaufschutz schützt die Pumpe beim Anfahren und im Normalbetrieb vor Trockenlauf.
Keramikwelle und Keramiklager
Verschleißfeste AusführungKeramikwellen und -lager weisen einen sehr geringen Verschleiß auf. Das verlängert ihre Lebensdauer und senkt die Gefahr von Geräuschen in der Anlage infolge eines verschleißbedingten größeren Lagerspiels.
Robuste Startfunktion
Anlauf mit hohem DrehmomentNach einer gewissen Zeit des Stillstands können die Lager aufgrund von Partikeln oder Kalkablagerungen festsitzen. Die robuste Startfunktion versucht kontinuierlich, die Pumpe mit dem höchstmöglichen Drehmoment neu zu starten.
Zuverlässigkeit
Dank der robusten Startfunktion müssen sich Hausbesitzer keine Sorgen machen, ob die Pumpe nach längeren Stillstandszeiten wieder anläuft.
Selbstentlüftung
Automatische EntlüftungDie Pumpe ist selbstentlüftend. Die Entlüftung erfolgt über die Anlage.
Geräuscharme und effiziente Leistung
Bei herkömmlichen Pumpen führt die Ansammlung von eingeschlossener Luft oft zu Geräuschstörungen und verminderter Leistung. Die Selbstentlüftung verringert die Geräuschbelastung und erhöht die Betriebseffizienz.
AUTOADAPT Heizkörper
Proportionaldruck AUTOADAPTDie Proportionaldruckregelung passt kontinuierlich im Laufe des Jahres in Abhängigkeit vom aktuellen Wärmebedarf die Pumpenleistung an und senkt gleichzeitig den Differenzdruck in der Anlage. Diese Einstellung bietet optimalen Komport bei minimalen Energieverbrauch und führt zu einer schnellen und einfachen Inbetriebnahme.
Höchster Komfort und Energieeinsparungen
AUTOADAPT passt sich automatisch an Ihre Gewohnheiten und an externe Temperaturschwankungen an. Es garantiert eine optimale Temperierung Ihrer Wohnung bei geringstmöglichem Energieverbrauch und ist damit der effizienteste Betriebsmodus.
Merkmale
| EEI | 0,15 |
| Baulänge | 130 mm |
| Gewinde | G 1½ |
| Nullförderhöhe | 4 Meter |
Hersteller
Hersteller
Grundfos
GmbH
Schlüterstraße 33
40699 Erkrath
Deutschland
Telefon: +49 211 929 69 0
E-Mail: infoservice@grundfos.com
https://www.grundfos.com/de
Tags
Zubehöre
Grundfos
MI401 ALPHA Reader
Mobile Kommunikationseinheit für den hydraulischen Abgleich mit Grundfos ALPHA 3
| Art.-Nr. | 98916967 |
Preis auf Anfrage
