Beschreibung
Varios PICO-STG 30/1-8
Hocheffizienzpumpe Wilo-Varios PICO-STG, elektronisch geregelt. Wartungsfreie Nassläufer-Umwälzpumpe mit Verschraubungsanschluss, blockierstromfester Synchronmotor nach ECM-Technologie und integrierter elektronischer Leistungsregelung zur stufenlosen Differenzdruckregelung. Einsetzbar für alle Heizungs- und Klimaanwendungen, sowie für Solar- und Geothermieanlagen.
Serienmäßig mit:
- Vorwählbare Regelungsarten zur optimalen Lastanpassung:
- Differenzdruck constant (Δp-c), 3 vordefinierte Kennlinien
- Differenzdruck variabel (Δp-v), 3 vordefinierte Kennlinien
- Konstant-Drehzahl (3 Drehzahlstufen)
- Externe Regelung durch iPWM GT (Heizung/Geothermie) oder iPWM ST (Solar) Signal
- Syn-Funktion (manueller Programmiermodus) zur Umprogrammierung der Pumpe im Austauschfall
- Manuelle Entlüftungsfunktion zur Entlüftung des Rotorraumes
- Manueller Neustart
- LED Anzeige
- Anzeige der gewählten Regelungsart und Kennlinie
- Statusanzeige während der Entlüftung und des manuellen Neustarts
- LED-Codierung während der Sync-Funktion
- Betriebs- und Störungsanzeige
- Integrierter Motorschutz
- Automatische Deblockierfunktion
- Elektrisches Anschlusskabel mit 3-poligem Steckeranschluss und Wilo-Connector
- PWM-Anschluss
- Kathaphoresebeschichtetes Pumpengehäuse
Dokumente
Merkmale
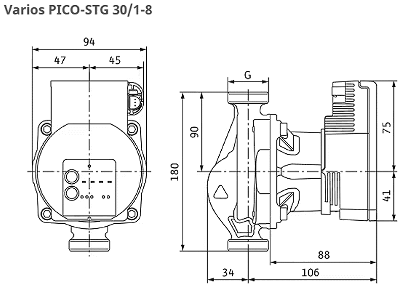
| Baulänge | 180 mm |
| Gewinde | G 2 |
Hersteller
Hersteller
WILO SE
Wilopark 1
44263 Dortmund
Deutschland
T 0231 4102-0
F 0231 4102-7363
wilo@wilo.com
https://wilo.com/de/de/
